Clean Implants
Systems awarded the TRUSTED QUALITY Seal
Below are the superior quality implant systems that have successfully passed the rigorous testing procedures and met the criteria for the prestigious CleanImplant TRUSTED QUALITY seal, as recommended by the Scientific Advisory Board. This consensus-based guideline for clean implants was first released in September 2017 and has since been established in many implant manufacturing sites as the de facto standard for the cleanliness of implantable devices. Download the new, 2025 thoroughly revised edition of the internationally recognized CleanImplant Guideline here!
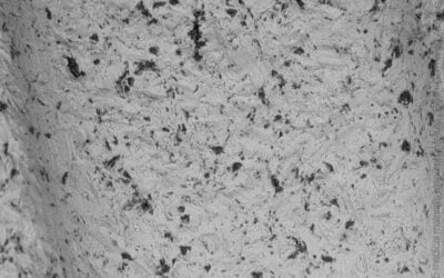
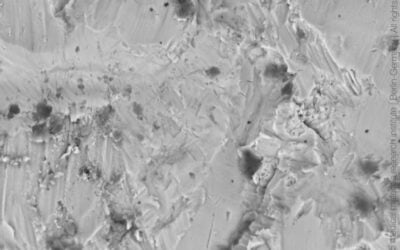
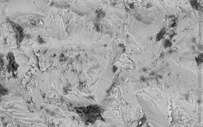
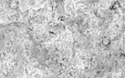
Our comprehensive quality assessment involves the analysis of five randomly selected implant samples of each implant type using SEM imaging and elemental analysis. The TRUSTED QUALITY certification of CleanImplant is valid for two years before the re-evaluation process begins. This means that the list of implant systems carrying the TRUSTED QUALITY seal is continually updated and extended, ensuring that you always have the latest information at your fingertips.
If you are a dental implant manufacturer and want to know if your medical device meets the CleanImplant thresholds for cleanliness or if you are a supplier of additional implant treatment technologies, please get in touch with us.
We have the data!
We have quality assessment data on hundreds of dental implant systems on file.
If you are a dental professional and do not find your preferred implant system here, or if you notice unusually high failure rates and want to know if quality deficiencies of your implant could be the reason for significant bone loss or early onset of peri-implantitis, we may have an answer.
Awarded Implants
Implant brands listed in alphabetical order
Biotech Dental
Kontact S






Biotech Dental
Kontact W






Biotem
AR System






bredent medical
copaSKY






bredent medical
whiteSKY






BTI Biotechnology Institute
UnicCa






Champions Implants
R(E)volution






Dentis
s-Clean SQ-SL






Dentium
SuperLine






Dentsply Sirona
Astra Tech EV





Global D
In-Kone






Izen implant
Zenex






Lyra ETK
iBone






Medentis Medical
ICX-Premium






MegaGen
Anyridge






MegaGen
BlueDiamond






NucleOSS
T6






NucleOSS
T6 torQ






Ritter implants
Spiral SB/LA






SLH
DC Bone Level






Southern Implants
INVERTA






Swiss Dental Solutions
SDS1.2






Swiss Dental Solutions
SDS2.2






Contact us
Do you want to learn more about the CleanImplant initiative?
We look forward to getting in touch with you.